الصناعات
الطائرات واليخوت
• المعدات المساعدة للطائرات
-مضخة زيت كهربائية
- محرك الهبوط
- نظام التحكم البيئي
• تطبيق اليخوت
-أنظمة الدفع
-المعدات الموجودة على متن الطائرة تدفع
المنتجات ذات الصلة
×
تتميز الفتحات المنحرفة لمحرك DC المصقول مقاس 40ZYT مقاس 40 مم بتصميم متين مع رابطة معززة
تواصل شركة Suzhou Retek Electric Technology Co., Ltd. توفير سلسلة 40ZYT للتطبيقات التي تعطي الأولوية لفعالية التكلفة وبساطة التحكم وعزم الدوران العالي عند بدء التشغيل. نحن نركز على تحسين واجهة مبدل الفرشاة لتقليل الضوضاء الكهربائية (EMI) وتآكل الفرشاة، وهي عوامل حاسمة لعمر المحرك المصقول. يتميز التصميم المتين ببنية قوية تحافظ على الأداء على مدى آلاف ساعات التشغيل، مما يجعله خيارًا يمكن الاعتماد عليه بالنسبة للمنتجات الاستهلاكية والصناعية الخفيفة.
تتميز الفتحات المنحرفة لمحرك DC المصقول مقاس 40ZYT مقاس 40 مم بتصميم متين مع رابطة معززة
×
تقوم شركة Suzhou Retek Electric Technology Co., Ltd. بتصميم وتصنيع سلسلة 76/78ZYT لتحمل المتطلبات القاسية لأسواق الخدمات اللوجستية الصناعية والتنقل. نحن نركز على تعظيم كثافة عزم دوران المحرك والأداء الحراري، مما يضمن قدرته على توفير الطاقة المقدرة دون فشل سابق لأوانه. إن بساطة هذه التكنولوجيا التي أثبتت كفاءتها ومتانتها تجعلها الخيار المفضل لمصنعي المعدات الأصلية الذين يقومون ببناء معدات ثقيلة موثوقة وحساسة للتكلفة.
76ZYT 78ZYT 76mm78mm محرك بتيار مستمر ناعم
×
تتخصص شركة Suzhou Retek Electric Technology Co., Ltd. في المحركات الميدانية الملفوفة للتطبيقات الصناعية الثقيلة، مثل المضخات الصناعية الكبيرة، حيث تعد الموثوقية في ظل دورات التشغيل والإيقاف المتكررة والضغط الساكن العالي أمرًا بالغ الأهمية. يوفر تصميم المغناطيس غير الدائم متانة متأصلة ضد إزالة المغناطيسية، مما يضمن بقاء المحرك ثابتًا طوال فترة خدمته. نحن نصمم بشكل مخصص ملفات المجال وعضو الإنتاج لتحسين منحنى سرعة عزم الدوران لضغط الرأس المحدد ومتطلبات معدل التدفق للمضخات الصناعية.
محرك ناعم بمغناطيس دائم بقطر 80 مم للمضخة الصناعية مع عاكس من نوع الفتحة
×
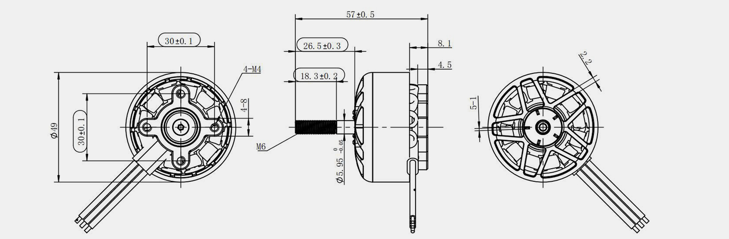
| المواصفات الكهربائية. | |||||||||||||||||||||||||||
| الأعلى. ص (ث) | الجهد الكهربي (الخامس) | ماكس. أنا. أ) | كيلو فولت | عدم التحميل الحالي (أ) | المقاومة (مΩ) | البولنديين | محرك خافت. (مم) | الجزء الثابت ديم. (مم) | تصاعد (مم) | شمال غرب. (ز) | الدعامة. (بوصة) | ||||||||||||||||
| 2121 | 24 | 34 | 380 | 1.5 | 576 | 14 | φ49*32.5 | φ42*14 | M4-30*30 | 235 | 13 "~ 15" | ||||||||||||||||
| بيانات اختبار الدفع | |||||||||||||||||||||||||||
| المروحة | كيلو فولت Value | خنق (%) | الجهد الكهربي (الخامس) | الحالي (أ) | السرعة (دورة في الدقيقة) | قوة الدفع (كجم) | عزم الدوران (نيو مكسيكو) | طاقة الإدخال (ث) | الكفاءة (جي/واط) | ||||||||||||||||||
| جيمفان 1308*3 | 380 كيلو فولت | 10% | 24 | 0.184 | 859 | 0.0279 | 0.010 | 4.4 | 6.309 | ||||||||||||||||||
| 20% | 23.99 | 0.623 | 1788 | 0.1207 | 0.031 | 14.9 | 8.082 | ||||||||||||||||||||
| 30% | 23.99 | 1.437 | 2708 | 0.2961 | 0.072 | 34.5 | 8.600 | ||||||||||||||||||||
| 40% | 23.98 | 2.588 | 3536 | 0.5128 | 0.116 | 62 | 8.278 | ||||||||||||||||||||
| 50% | 23.96 | 4.434 | 4393 | 0.7981 | 0.179 | 106.2 | 7.525 | ||||||||||||||||||||
| 60% | 23.94 | 7.498 | 5286 | 1.1673 | 0.258 | 179.5 | 6.508 | ||||||||||||||||||||
| 70% | 23.92 | 11.142 | 6106 | 1.5620 | 0.344 | 266.5 | 5.864 | ||||||||||||||||||||
| 80% | 23.89 | 15.405 | 6835 | 1.9759 | 0.433 | 368 | 5.370 | ||||||||||||||||||||
| 90% | 23.85 | 20.898 | 7573 | 2.4480 | 0.534 | 498.5 | 4.911 | ||||||||||||||||||||
| 100% | 23.81 | 26.668 | 8213 | 2.8856 | 0.630 | 635.1 | 4.544 | ||||||||||||||||||||
| جيمفان 1310*3 | 380 كيلو فولت | 10% | 24.01 | 0.18 | 847 | 0.0239 | 0.014 | 4.3 | 5.539 | ||||||||||||||||||
| 20% | 24 | 0.708 | 1781 | 0.1251 | 0.042 | 17 | 7.367 | ||||||||||||||||||||
| 30% | 23.99 | 1.668 | 2664 | 0.3160 | 0.093 | 40 | 7.900 | ||||||||||||||||||||
| 40% | 23.98 | 3.104 | 3458 | 0.5413 | 0.152 | 74.4 | 7.278 | ||||||||||||||||||||
| 50% | 23.96 | 5.481 | 4293 | 0.8513 | 0.2310 | 131.3 | 6.490 | ||||||||||||||||||||
| 60% | 23.99 | 9.362 | 5159 | 1.2510 | 330 | 224.1 | 5.585 | ||||||||||||||||||||
| 70% | 23.98 | 13.856 | 5924 | 1.6492 | 0.437 | 331.3 | 4.979 | ||||||||||||||||||||
| 80% | 23.95 | 19.353 | 6644 | 2.1044 | 0.549 | 462 | 4.555 | ||||||||||||||||||||
| 90% | 23.93 | 25.502 | 7287 | 2.5593 | 0.666 | 607.8 | 4.211 | ||||||||||||||||||||
| 100% | 23.88 | 32.034 | 7869 | 2.9946 | 0.768 | 762.1 | 3.929 | ||||||||||||||||||||
| جيمفان 1310*3 | 640 كيلو فولت | 10% | 24.81 | 0.409 | 1336 | 0.0768 | 0.0299 | 9.8000 | 7.8180 | ||||||||||||||||||
| 20% | 23.73 | 1.865 | 2708 | 0.3374 | 0.1001 | 44.7000 | 7.5440 | ||||||||||||||||||||
| 30% | 23.63 | 4.803 | 3946 | 0.7408 | 0.2051 | 115.0000 | 6.4420 | ||||||||||||||||||||
| 40% | 23.53 | 9.285 | 5007 | 1.2049 | 0.3214 | 222.2000 | 5.4240 | ||||||||||||||||||||
| 50% | 23.42 | 17.318 | 6131 | 1.8117 | 0.4789 | 413.5000 | 4.3840 | ||||||||||||||||||||
| 60% | 23.5 | 28.207 | 7158 | 2.4977 | 0.6519 | 671.5000 | 3.7200 | ||||||||||||||||||||
| 70% | 23.62 | 40.854 | 8027 | 3.1604 | 0.8238 | 969.3000 | 3.2610 | ||||||||||||||||||||
| 80% | 23.67 | 58.755 | 8840 | 3.8649 | 1.0092 | 1388.3000 | 2.7840 | ||||||||||||||||||||
| 90% | 23. | 73.77 | 9411 | 4.3715 | 1.1529 | 1736.0000 | 2.5180 | ||||||||||||||||||||
| 100% | 23.7 | 90.573 | 9878 | 4.8917 | 1.2935 | 2121.3000 | 2.3060 | ||||||||||||||||||||
LN4214 380KV 6-85 UAV محرك بدون فرش لطائرات بدون طيار مقاس 13 بوصة
×
محرك الطائرة بدون طيار LN13720 Series 24S (34KV / 38KV) - محرك الطائرات بدون طيار عالي الطاقة عالي الرفع
محرك الطائرة بدون طيار LN13720 Series 24S (34KV / 38KV) - محرك الطائرات بدون طيار عالي الطاقة عالي الرفع
